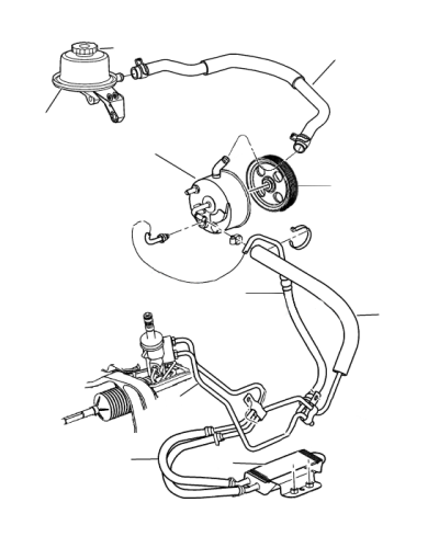
Бачок наноса гидроусилителя руля
Крышка бочка насоса гидроусилителя
Насос гидроусилителя руля
Патрубок питания насоса гидроусилителя
Радиатор охлаждения гидроусилителя руля
Шкив насоса гидроусилителя руля
Шланг высокого давления гидроусилителя руля
Шланг обратного давления