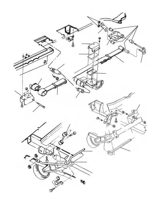
Задняя подвеска
1Амортизатор задний
2Болт рессорный передний
3Верхняя опора задней ресcоры
4Втулка внутренняя заднего стабилизатора
5Гайка замка рессорной тарелки
6Замок рессорной тарелки
7Нижняя прокладка рессорной опоры
8Опора рессоры задняя верхняя
9Прокладка верхней опоры
10Рессора задняя
11Сайлентблок рессоры ЗАДНИЙ
12Сайлентблок рессоры ПЕРЕДНИЙ
13Стабилизатор задний
14Стойка заднего стабилизатора
15Тарелка рессорная задняя
16Тарелка рессорная передняя
5
11
12
1
15
6
8
10
2
14
4
13
17
16
3
9
7
1
10
17